图片来源于网络,如有侵权,请联系删除据联交所8月18日披露,HugeDentalLimited向联交所提交上市申请,拟香港主板上市,星展亚洲融资、中国国际金融香港证券为联席保荐人。 注:本文系新闻报道,不构成投资建议,股市有风险,投资需谨慎。图片来源于网络,如有侵权,请联系删除...
图片来源于网络,如有侵权,请联系删除每经AI快讯,8月19日,市场焦点股大元泵业(6板)低开5.50%,军工股长城军工(13天8板)低开0.44%,影视股吉视传媒(11天7板)低开0.23%,商业航天概念股国机精工(11天6板)高开2.18%,IDC电源概念股同洲电子(6天5板)竞价涨停、中恒电气(...
图片来源于网络,如有侵权,请联系删除每经AI快讯,江苏省气象台2025年08月19日09时18分变更发布高温黄色预警:预计19~21日,南京、无锡、徐州、常州、苏州、南通、连云港、淮安、盐城、扬州、镇江、泰州和宿迁的大部分地区最高气温可达35-37℃。省应急厅(省防减救灾办)、省气象局提醒注意防范。...
图片来源于网络,如有侵权,请联系删除人保车险 品牌优势——快速了解燃油汽车车险,人保有温度_2025年中国工业软件行业:行业渗透率攀升与应用场景拓展 2025年8月18日 来源:互联网 486 25...
图片来源于网络,如有侵权,请联系删除 每经编辑|陈柯名 黄胜 当地时间8月18日,美股三大指数集体低开,随后窄幅震荡,截至发稿,道琼斯指数涨0.01%,标普500指数跌0.07%,纳斯达克综合指数跌0.14%。图片来源于网络,如有侵权,请联系删除 中概股依然表现强势,纳斯达克中...
图片来源于网络,如有侵权,请联系删除证券之星消息,钧崴电子(301458)08月18日在投资者关系平台上答复投资者关心的问题。 投资者:您好,14号下午鸿海集团轮值CEO杨秋瑾表示,鸿海AI服务器二季度营收同比增长了60%,预计第三季度营收同比将超过170%,请问,作为英伟达电流感精密电阻的主供...
图片来源于网络,如有侵权,请联系删除(原标题:*ST沐邦(603398.SH):子公司资产被法院查封) 格隆汇8月19日丨*ST沐邦(603398.SH)公布,公司全资子公司广西沐邦高科新能源有限公司(以下简称“广西沐邦”),近日收到广西壮族自治区梧州市万秀区人民法院依据(2025)桂0403财保...
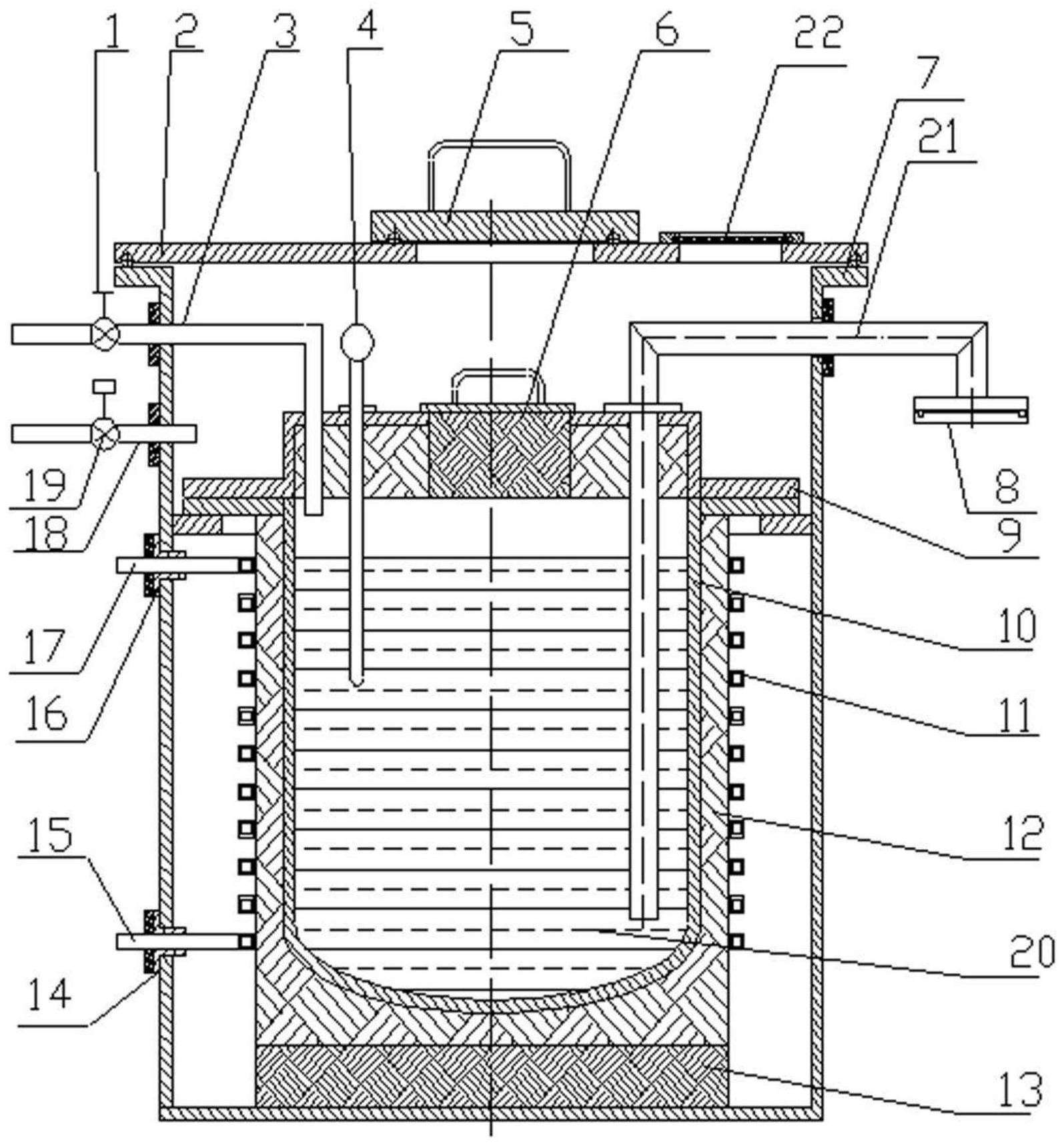
图片来源于网络,如有侵权,请联系删除证券之星消息,根据天眼查APP数据显示新莱应材(300260)新获得一项实用新型专利授权,专利名为“一种调节闸阀”,专利申请号为CN202422547659.0,授权日为2025年8月19日。 专利摘要:本实用新型属于阀门技术领域,公开了一种调节闸阀,该调节闸...
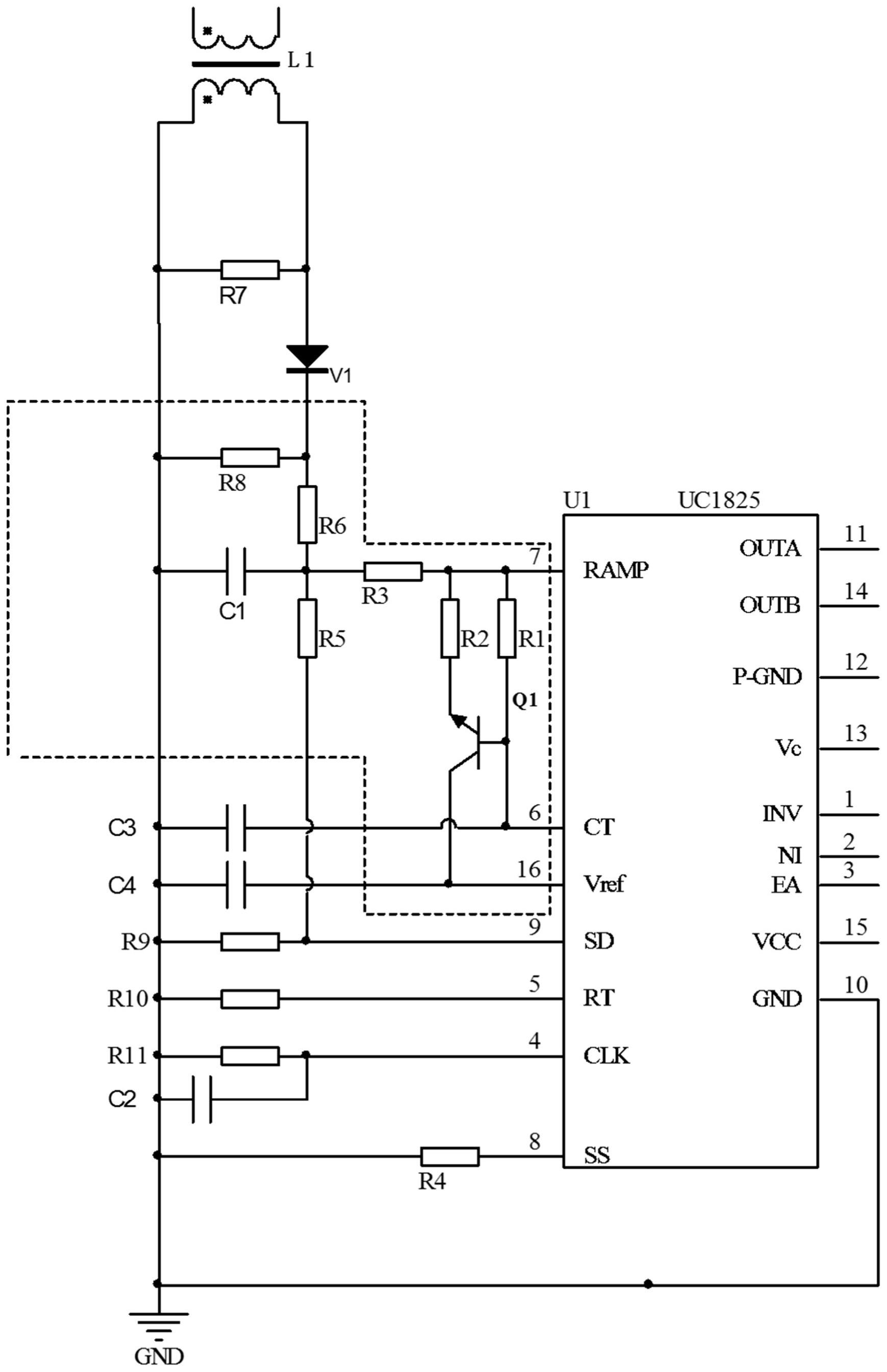
图片来源于网络,如有侵权,请联系删除证券之星消息,根据天眼查APP数据显示美的集团(000333)新获得一项发明专利授权,专利名为“一种驱动电路及控制方法”,专利申请号为CN202210578924.4,授权日为2025年8月19日。 专利摘要:本申请公开一种驱动电路及控制方法,驱动电路中第一驱...
图片来源于网络,如有侵权,请联系删除证券之星消息,根据天眼查APP数据显示万控智造(603070)新获得一项实用新型专利授权,专利名为“一种简易式二次联锁”,专利申请号为CN202422493778.2,授权日为2025年8月19日。 专利摘要:本实用新型公开了一种简易式二次联锁,包括联锁机构和...