驱动力获得实用新型专利授权:“一种钙含量滴定专用支架”
2025年11月29日 | 浏览量:58974

图片来源于网络,如有侵权,请联系删除
证券之星消息,根据天眼查APP数据显示驱动力(920275)新获得一项实用新型专利授权,专利名为“一种钙含量滴定专用支架”,专利申请号为CN202422960048.9,授权日为2025年11月14日。
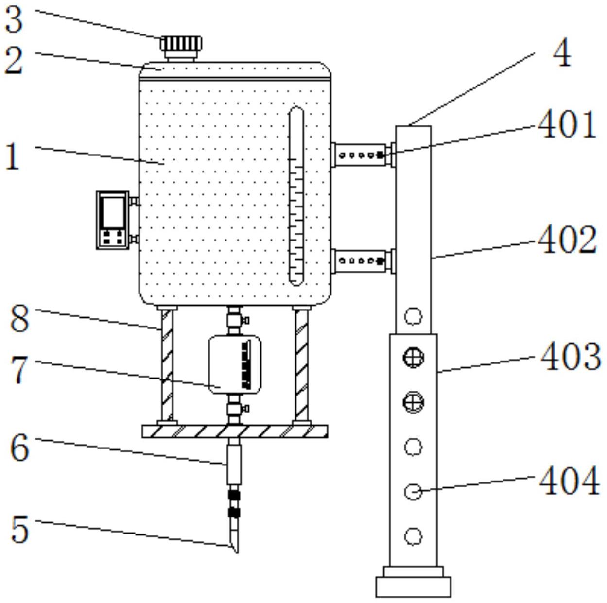
专利摘要:本实用新型属于实验器材技术领域,具体涉及一种钙含量滴定专用支架。本实用新型提供的一种钙含量滴定专用支架,包括基座、试剂瓶和滴定管,所述基座的一侧设置有控制面板,所述基座的上方设置有放置台,所述放置台的上方通过凹槽放置有底板,所述试剂瓶放置在底板上,所述放置台位于底板的下方设置有电子秤;所述放置台远离控制面板的一侧设置有立杆,所述立杆的一侧设置有调节板,所述调节板上滑动连接有Z型结构的调节架,所述调节架的一端通过球型万向轴转动连接有照明灯;所述立杆的外侧通过调节环滑动连接有支杆,所述支杆的上滑动连接有活动夹爪,所述滴定管夹持在活动夹爪上。

图片来源于网络,如有侵权,请联系删除
今年以来驱动力新获得专利授权4个。结合公司2025年中报财务数据,今年上半年公司在研发方面投入了158.98万元,同比减18.57%。
数据来源:天眼查APP
以上内容为证券之星据公开信息整理,由AI算法生成(网信算备310104345710301240019号),不构成投资建议。
本文来源:财富导航网
本文地址:https://www.sintedes.com/post/40084.html
关注我们:微信搜索“xiaoqihvlove”添加我为好友
版权声明:如无特别注明,转载请注明本文地址!
- •科大讯飞获得外观设计专利授权:“机器人”
- •中国石化获得发明专利授权:“一种植物性高强度自降解隔离暂堵剂及其制备与使用方法”
- •金陵饭店(601007.SH):董事长毕金标辞职
- •长江电力获得发明专利授权:“一种船舶航行信息校验方法及装置”
- •南网能源:截至2025年11月28日持有人数为101,088
- •【ESG动态】深水海纳(300961.SZ)获华证指数ESG最新评级C,行业排名第159
- •比亚迪获得实用新型专利授权:“定子组件及电机、车辆”
- •英维克获得外观设计专利授权:“机房空调”
- •ST云动获得实用新型专利授权:“一种燃料电池储能调峰装置及系统”
- •亿纬锂能获得实用新型专利授权:“汇流盘、电芯及电池”

